•1 min read•from Towards Data Science
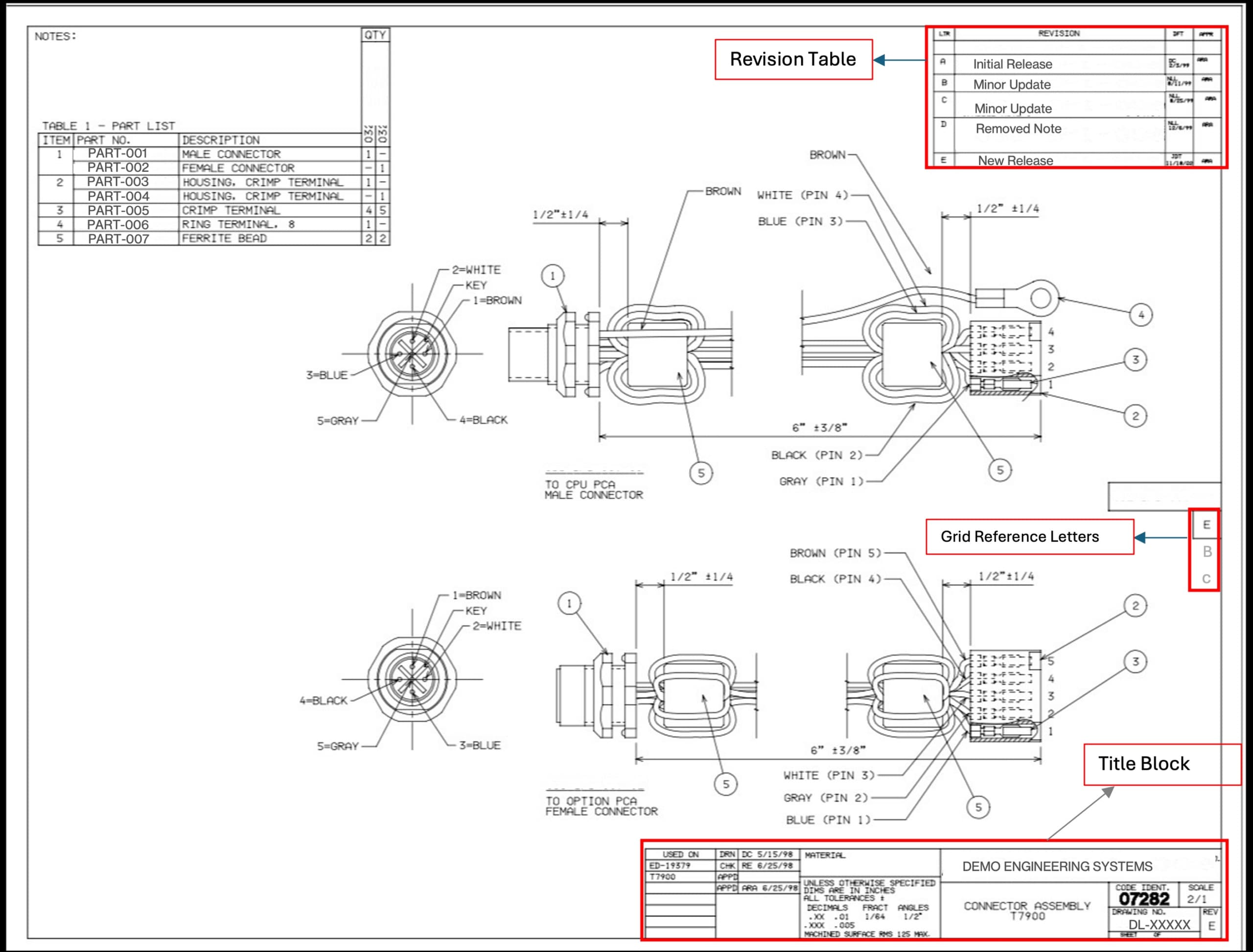
From 4 Weeks to 45 Minutes: Designing a Document Extraction System for 4,700+ PDFs

How a hybrid PyMuPDF + GPT-4 Vision pipeline replaced £8,000 in manual engineering effort, and why the latest models weren’t the answer
The post From 4 Weeks to 45 Minutes: Designing a Document Extraction System for 4,700+ PDFs appeared first on Towards Data Science.
Want to read more?
Check out the full article on the original site
Tagged with
#generative AI for data analysis
#Excel alternatives for data analysis
#natural language processing for spreadsheets
#big data management in spreadsheets
#conversational data analysis
#rows.com
#real-time data collaboration
#intelligent data visualization
#data visualization tools
#enterprise data management
#big data performance
#data analysis tools
#data cleaning solutions
#Document Extraction
#PyMuPDF
#GPT-4 Vision
#PDFs
#Hybrid Pipeline
#Engineering Effort
#Manual Process